ホーム
パソコン版
モバイル版
English
サイトマップ
お問い合わせ
株式会社渋谷光学
会社情報
初めてお取引されるお客様へ
よくあるご質問
カタログ・資料
光学部品
顕微鏡関連
ガラス加工
光学設計
レーザー関連
その他の製品
お見積もり
お問い合わせ
ホーム
光学部品
蒸着フィルター
商品詳細
ダイクロイックフィルター 図面
ダイクロイックフィルター 図面
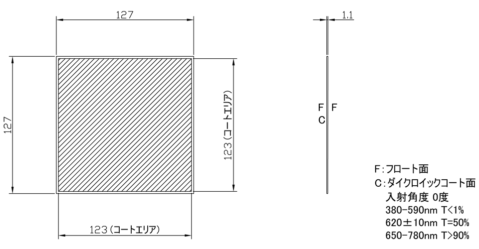
DFR-127S-1T 図面
ページを閉じる
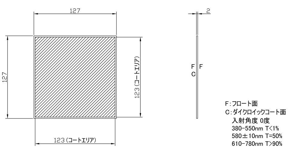
DFR-127S-2T 図面
ページを閉じる
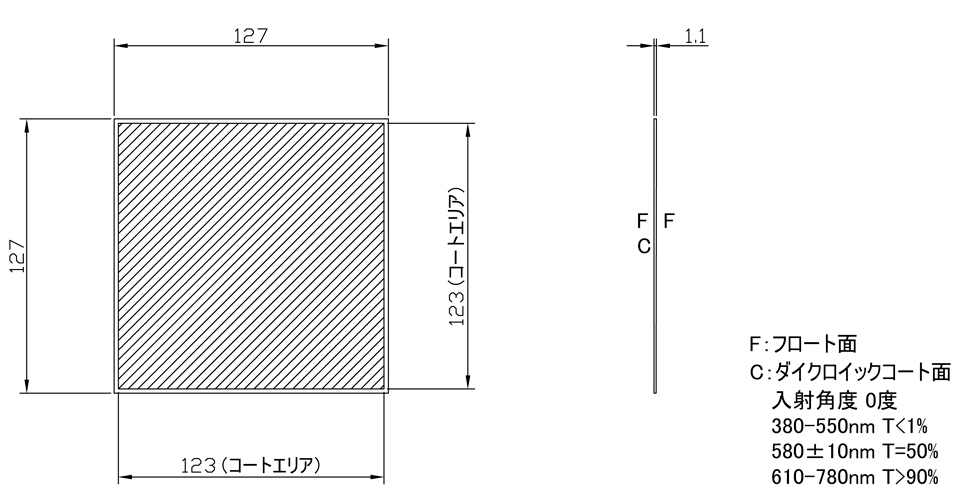
DFG-127S-1T 図面
ページを閉じる
DFG-127S-2T 図面
ページを閉じる
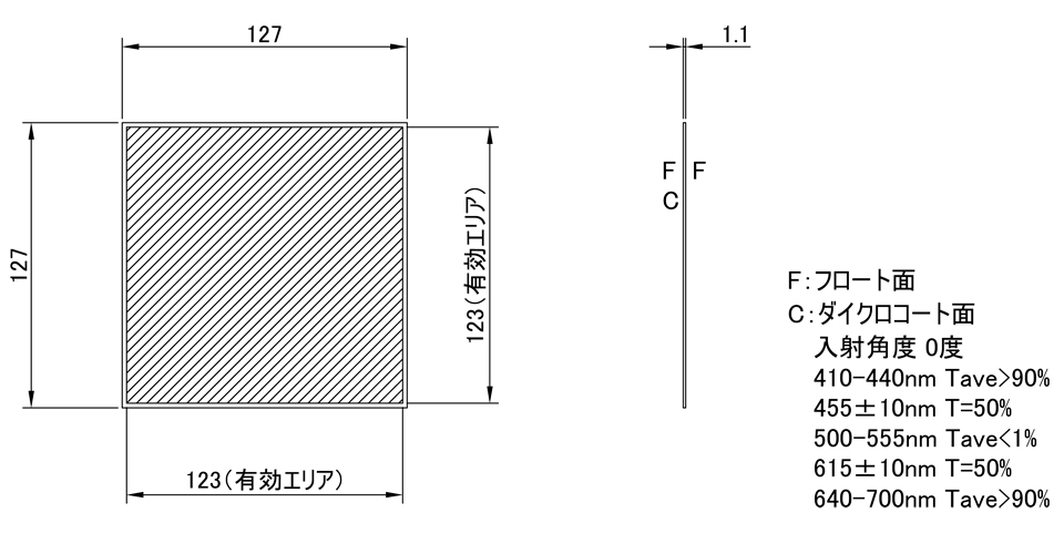
DFB-127S-1T 図面
ページを閉じる
DFB-127S-2T 図面
ページを閉じる
DFM-127S-1T 図面
ページを閉じる
DFM-127S-2T 図面
ページを閉じる
DFY-127S-1T 図面
ページを閉じる
DFY-127S-2T 図面
ページを閉じる
DFO-127S-1T 図面
ページを閉じる
DFO-127S-2T 図面
ページを閉じる