反射率測定装置 MSP-100B/MSP-100IR/MSP-100UV
微小領域、曲面、極薄試料の高速、高精度測定をかつてない低コストで実現渋谷光学では中国企業とのパートナーシップを活かし
コストパフォーマンスの高い反射率測定装置をご提供しています。
- MSP-100B 定価:4,400,000円(税込4,840,000円)
- デモのご希望がございましたらお問い合わせください。
- スポットサイズが小さく、微小点の測定が可能
- 測定時に背面の光が入り込まず、すりガラスや黒塗りによる消光処理が不要
- レンズと平面の両方を測定可能
- 操作が簡単で使いやすく、ソフトウェアのインターフェースもシンプル
- 可視光とUVには背面照射型CCDセンサーを採用し、高い感度と信号対雑音比を実現
- 赤外線にはInGaAsセンサーを採用し、赤外領域に対する高い感度を持つ
- 特殊ハーフミラー(特許取得済)の採用により、裏面反射光をカットし、裏面処理無しで短時間で正確な測定ができます。
(薄板0.2㎜の反射率測定が可能:×20倍対物レンズ使用時)
- レンズ曲面、コーティングむらも測定可能です。(試料面に微小スポット(φ50μm)を結ぶ)
- 低反射試料でも短時間で再現性の高い測定ができます。(独自の光学設計により光量を最大限に取り込み、512素子のリニアPDA、
16bit
A/Dコンバータ内蔵、USB2.0インターフェース高速演算でスピーディな測定を実現)
- 色度測定、L*a*b*測定ができます。分光反射率から分光測色法に基づき物体測定ができます。
- Microsoft Excel(R)形式でのデータ保存が可能です。
- 単層膜を非接触、非破壊で測定ができます。
- 同一の画面上に複数の測定結果を表示機能付きです。測定結果の比較が容易になります。
仕様
| 型番 |
MSP-100B MSP-100IR MSP-100UV |
| 測定波長 |
MSP-100B: 350~1100nm MSP-100IR: 900~1700nm MSP-100UV: 230~800nm |
| 測定再現性(B型) |
±0.2%(380~450nm) ±0.02%(451~950nm) ±0.2%(951~1050nm) |
| 測定S/N比(B型) |
1000:1(400nm-900nm) |
| 試料側N.A. |
N.A. 0.12(10×対物レンズ使用時) |
| 試料の測定範囲 |
φ50μm(10×対物レンズ使用時) |
| 試料の曲率半径 |
-1R~-∞、+1R~∞ |
| 表示分解能 |
1nm |
| 測定時間 |
数秒~十数秒(サンプリング時間により異なる) |
| 外形寸法 |
(W)230×(H)605×(D)510mm(本体のみ) |
| 重量 |
15KG |
| 電源ユニット |
供給電源:100-240VAC
消費電力:80W
出力ランプ電圧:5-10VDC
外形寸法:(W)231×(H)130×(D)220mm
重量:2.5KG
使用温度範囲:18~28℃
使用湿度:60%以下(結露なきこと) |
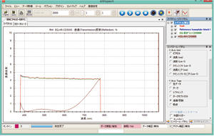
測定結果イメージ