ホーム
パソコン版
モバイル版
English
サイトマップ
お問い合わせ
株式会社渋谷光学
会社情報
初めてお取引されるお客様へ
よくあるご質問
カタログ・資料
光学部品
顕微鏡関連
ガラス加工
光学設計
レーザー関連
その他の製品
お見積もり
お問い合わせ
ホーム
顕微鏡関連
顕微鏡
マイクロスコープ SZ7chi型、SZ7型
外観図
マイクロスコープ SZ7chi型、SZ7型 外観図
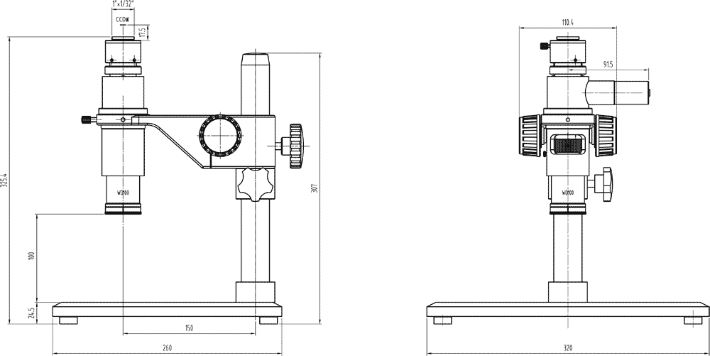
SZ7chi型、外観寸法図
ページを閉じる
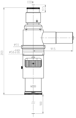
SZ7chi型、本体詳細図
ページを閉じる
SZ7型、外観寸法図
ページを閉じる