フィルター枠はカメラ・顕微鏡・光学機器などに光学フィルターを取り付ける際に使用します。
渋谷光学では高品質なフィルター枠を各種・サイズを標準品として取り揃え、低価格・短納期のご要望にお応えしております。
個人のお客様も1個からご購入いただけます。
なお掲載しているサイズ以外にも在庫がある場合がございますのでお問い合わせください。
フィルター枠付きのカバーガラス・光学フィルターの特注製作もぜひご相談ください。
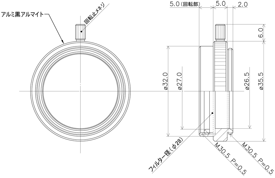
- 素材:アルミ
- メーカー名等の印字はありません。
- フィルター枠に合ったフィルター径は図面に記載していますのでご参照ください。
- こちらでご紹介しているのはフィルター枠のみの販売となります。
価格表
通常枠
| 型番 |
定価 |
詳細 |
| XR-22.5mm |
1,100円(税込1,210円) |
図面 |
| XR-25.5mm |
1,700円(税込1,870円) |
図面 |
| XR-27mm |
1,100円(税込1,210円) |
図面 |
| XR-30.5mm |
1,100円(税込1,210円) |
図面 |
| XR-34mm |
1,700円(税込1,870円) |
図面 |
| XR-35.5mm |
1,700円(税込1,870円) |
図面 |
| XR-43mm |
1,100円(税込1,210円) |
図面 |
| XR-46mm |
1,100円(税込1,210円) |
図面 |
| XR-48mm |
1,100円(税込1,210円) |
図面 |
| XR-52mm |
1,500円(税込1,650円) |
図面 |
| XR-112mm |
7,700円(税込8,470円) |
図面 |
回転枠
| 型番 |
定価 |
詳細 |
| PL-25.5mm |
1,700円(税込1,870円) |
図面 |
| PL-27mm |
1,700円(税込1,870円) |
図面 |
| PL-30.5mm |
1,700円(税込1,870円) |
図面 |
| PL-52mm |
1,700円(税込1,870円) |
図面 |
回転枠・ロック付き
| 型番 |
定価 |
詳細 |
| PL(L)-22.5mm |
5,500円(税込6,050円) |
図面 |
| PL(L)-25.5mm |
5,500円(税込6,050円) |
図面 |
| PL(L)-27mm |
5,500円(税込6,050円) |
図面 |
| PL(L)-30.5mm |
5,500円(税込6,050円) |
図面 |
特殊枠
フィルターサイズφ24mmまたはφ25mmの使用が可能です。
| 型番 |
定価 |
詳細 |
| SR-27mm |
2,200円(税込2,420円) |
図面 |